gm黑框眼睛框镜架男大脸金属流线光学眼镜装饰平光镜斯文败类近视

相关图片

新款眉毛防蓝光眼镜框潮金属镜架男士复古商务时尚通勤眼镜架 820

眼镜架潮男图片

2021pc男款太阳眼镜新款方形个性全框架墨镜运动户外骑行护目镜

2021年防蓝光平光镜男 复古金属眼镜架女半框平光镜可配近视9305

帕莎2021年新款简约男复古眼镜帕沙方框大框镜架可配定制近视眼镜

随机推荐

鹿晗关晓彤又来秀恩爱了,婚纱照来袭,这是要结婚的节奏吗?

双人两人闺蜜头像 高清一对两张的两人女生闺蜜头像图片_闺蜜姐妹女生

通讯员供图该患者为男性,45岁,既往有高血压,糖尿病,冠心病病史多年

我经常和森哥说这辈子最大的遗憾就是太矮了,我的理想身高是165-170

你看山川多清秀,星辰多温柔,恰似你眼眸"女生动漫头像 "优质动漫女头

女生的素颜照什么样? - 知乎

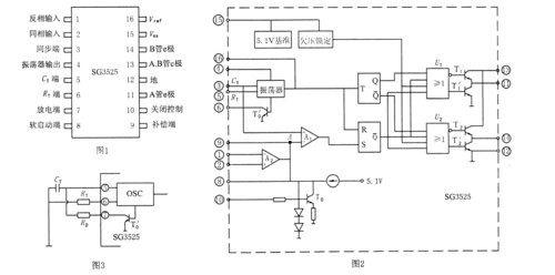
新一代开关电源芯片sg3525工作原理剖析

手绘卡通水果草莓png免扣素材-众图网