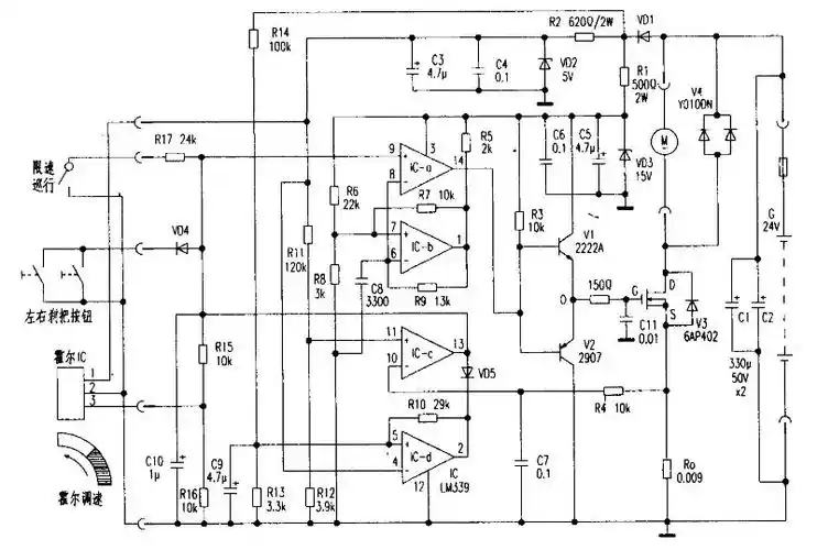
工程科技 信息与通信 48v电动车调速器原理图 r5 39k 7 r6 30k 4 8 d5

相关图片

详解四种电瓶车充电器改可调电源的方法及电路图分析

电动车48v转12v转换器电路图

48v电动车充电器电路图

基于开关电源的可调电压设计电路对于第一种非0点电压的可调范围,其

48v电动三轮车电路图

随机推荐

黄磊年轻时文青中年后睿智幸福就是过自己想要的生活

王俊凯##tfboys王俊凯#超少年密码 截修 校服凯

📀今日推荐 |撒野同名主题曲《撒野》

网友表示扛不住,姚晨本人却岿然不动坦然面对_时尚_照片_演技

品牌男装西服男秋季新款英伦风时尚单件上衣休闲潮流灯芯绒西装外套

沁沁的背影好美,满屏的大长腿绝了,玩得开心呦~#李沁海盐假日live随

创意设计:迪斯尼公主全都变成了美人鱼

今日,演员朱亚文曝光了一组生日写真,或立于竹林,或倚靠窗沿,举手投足