我是小豆:如何看懂电路图,11个经典电路图实物讲解

相关图片

电工必备:22个经典电路图,不会看电路图的电工不算合格电工

实例分析,如何看懂电气基本控制电路图

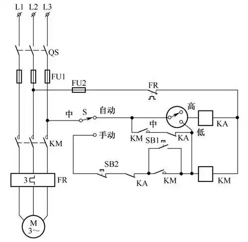
水泵自动控制电路图

28例电气自动控制电路图,都是干货,快收藏吧!

187个电路图,看完别再说看不懂电路图了!

随机推荐

杨洋迪丽热巴目光之所及都是你烟花再绚烂也没对象好看

王源卡通形象cr:logo - 堆糖,美图壁纸兴趣社区

据传李湘身家已达五千亿细看她资产来源一切似乎都在情理之中

镇生者之魂

吴磊张子枫没瞅我怎么知道我在笑六公主采访合集

云与海简谱数字双手阿yueyue抖音热歌如果世间万物能跨越能相爱也能

超轻粘土——植物大战僵尸之玉米投手

男生短发飞机头