把自己伪装成大人的模样周星驰假笑

相关图片

李丽芬这首《得意的笑》旋律轻快,配上星爷的表演太解压了

周星驰娶了八个老婆还是这副笑容这笑容我给100分

浅谈新语如何用文字表达嗷卵犟

揭秘星爷魔性笑声,石斑瑜:一不小心笑出来|周星驰|配音|石斑瑜_新浪

周星驰千变万化的笑

随机推荐

楼梯踏步怎么贴瓷砖

部位女头不露脸,用手用东西遮挡住的-女生头像

轰-20还没出来,美国b-21故意选在中国空军节首飞,订单接个不停

关晓彤头像晓彤0917生日快乐

卖惨炫富当"小三",立了10年的人设崩塌,吉克隽逸走到这步怪谁

卡通人物简笔画美少女古装

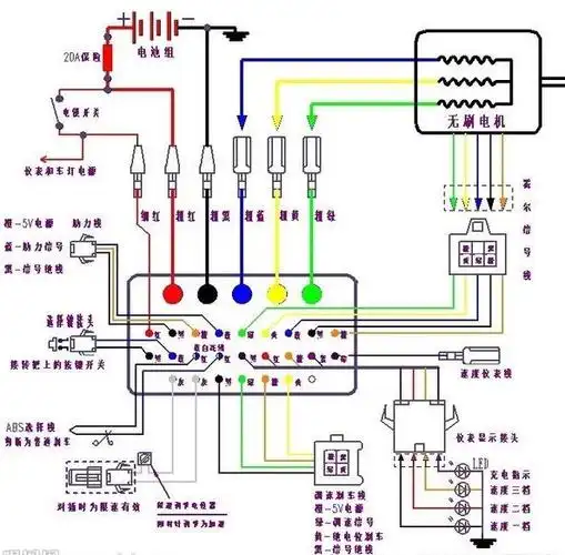
48v电动车控制器接线图电源锁控制器细供红线接电源,锁黄线接在什么土

二手女鞋