如果苍蝇在人的伤口产卵会在身体里长成蛆吗

相关图片

萧山张女士隆胸手术后流脓又腐烂.

乳房里竟然长了这么多蛆虫 - 普通外科讨论版 -丁香园论坛

山东招远一幼儿园被爆给学生吃腐烂生蛆的肉菜

黄瓜根部的这种蛆如何防治?

动物腐烂,蛆虫吃完腐肉后,蛆去哪了?

随机推荐

北美海棠花原创拍摄

身上哪些痣属于千年福痣?拥有颗福痣,是千年才能修来的福气,吉祥富贵!

povos奔腾 ln506 5l 动态数码微电脑无水焗预约电压力锅

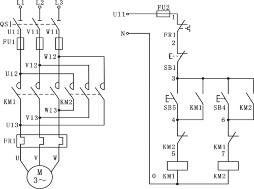
实训一 接触器联锁的三相异步电动机正反转控制电路

校服 日常 粉色水手服日本校服制服关东襟进口襟线白三本冬服优质羊毛

选购工业节能吊扇你只需要注意这些

己亥杂诗其一拼音版翻译 (龚自珍)

希斯·莱杰