talpa单方面宣布收回"中国好声音"版权

相关图片

中国好声音制作方与mbc纠纷蒙面唱将猜猜猜诉讼一审中

中国好声音更名首播以后附logo艰辛演变图

标标通中国好声音标志的含义

中国好声音

特别推荐2022中国好声音全国巡演克拉玛依站报名招商赛事加盟火热开启

随机推荐

佟丽娅的素颜勇气:为艺术献身的演员精神_是一种_挑战_才华

调过之后的就没什么参考性了 **注意是【颧弓】不是【颧骨】啊各位**

她是靳东的绯闻女友,和刘亦菲是同学,曾经美丽却整容变尖酸刻薄_周扬

恐怖女 鬼面具全脸密室逃脱鬼屋剧本1杀吓人泰国恐1怖道具npc万圣节

高着色色浆 黑色浆 涂料黑色浆 东莞市灿煜化工有限公司-搜采通

沙宝亮个唱致敬杰克逊 嘉宾黄渤挑战复古舞

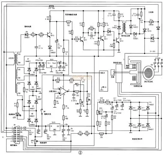
jdh-10滑差电机调速器电路如图2所示,下面对各单元电路的工作原理进行

种植牙需要多长时间能种好8682.cc.jpg