ups备用电源的电池问题!

相关图片

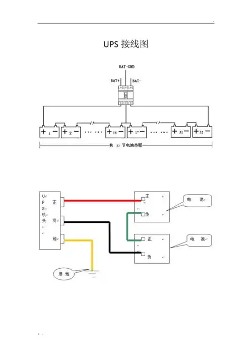
3a3ups接线示意图

2kva 72vups电源蓄电池安装图示

山特ups不间断电源1kva 8小时 mt1000s-pro8小时100ah蓄电池6只

apc的ups电池线中性线的连接

储能ups电池组接线图解

随机推荐

李小璐微博晒侧颜美照网友传说中贵族气质

福润 em>嘉 /em>润滑油frjfurunjia

175和150情侣早秋穿搭日记外套篇

山根在面相学当中代表夫妻座,这里是夫妻关系的位置,如果这里有横纹的

明日方舟归溟幽灵鲨干员图鉴sp幽灵鲨介绍

潘长江与韩德君合影 超萌身高差引爆笑)_ 黑土直播

小提琴谱 《生日歌》 祝你生日快乐98,最近好多小朋友过生日,快拉给

白月光简谱