原创易烊千玺幼年跳舞照曝光穿小蜜蜂服装小表情小动作超萌可爱

相关图片

易烊千玺小时候的照片真是笑到胃抽筋啊!

易烊千玺身价多少亿2020 00后身价过亿的人

跳舞的易烊千玺

tfboys易烊千玺编舞惊艳众人 台湾录康熙来了世界名画曝光

易烊千玺

随机推荐

王菲特写王菲演唱会王菲专辑封面王菲海报王菲时尚芭莎王菲fayewong

清新护眼绿色草地风景图片桌面壁纸,风景壁纸,绿色,唯美,护眼,高清

亚马逊圣诞节气球 节日派对铝膜气球套装圣诞节装饰布置气球批发

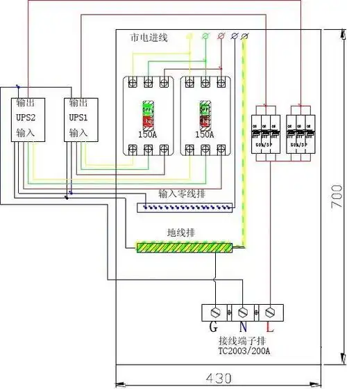
ups双机并联配电柜接线图

假发男短发韩版帅气男士短直发逼真自然碎盖头男生蓬松日常全头套

扩展资料: a5纸,就是将a型基本尺寸的纸折叠5次,所以一张a5纸的没积

战"汛"保供电!供电员工在一线_防汛_公司_应急