创造101sing赖美云可爱暴击

相关图片

sing女团赖美云高清图片

赖美云

赖美云 赖小七

赖美云 - 堆糖,美图壁纸兴趣社区

分享一组赖美云图片给大家,图中的明星图片壁纸会点缀你的电脑桌面

随机推荐

原创足坛史上九大帅哥黑白照风采小贝c罗领衔来看看有没有你喜欢的

林静仪(其他娱乐人物相关)

华江里三楼南北通透一室一厅私产

这就是街舞4王一博 原图中国红来了,上条绿色啵啵火了, - 抖音

瓦尔塔蓄电池agm 105适配奥迪a6l宝马x5奔驰e级cl/cla/gl汽车电瓶

165体重吴谨言身高165体重只有88斤原来全是靠吃水煮菜

oldschool纹身厦门纹身小恶魔

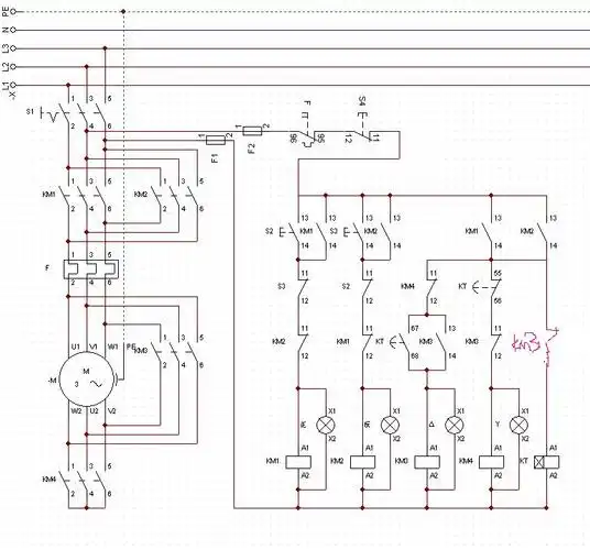
正反转星三角降压启动-最常见电路-电工基础知识