高可靠高效逆相兼缺相保护电路

相关图片

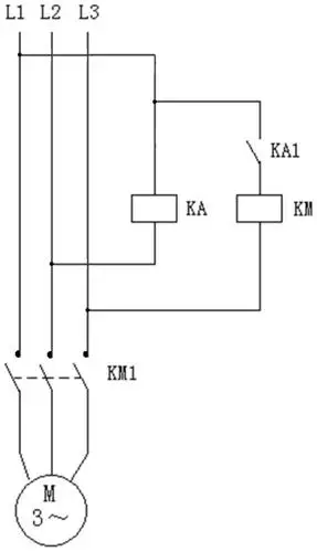
三相交流电机缺相保护器

缺相保护器工作原理

电工知识:三相电机缺相保护电路,接线步骤一一讲解

缺相断湘保护接触器接线图.jpg

缺相保护器接线图实物图 -解决方案-华强电子网

随机推荐

适合40一50岁女性短发发型图片

兔斯基群舞_群舞_斯基表情

欧洲中世纪文艺复兴蓬蓬袖翻领绑带衬衫宽松王子扮演话剧服亚马逊

tfboys分享180203王源多重身份任意切换是少年偶像亦是青年使者

"包饺子时,最好在饺子皮的边缘沾一点水,包出来的饺子皮就不容易皱,煮

蘑菇头短发发型图片如何打造可爱又迷人圆脸女生不要错过

款识:吴冠中钤印:荼,冠中写生lot 571玄烨 行书张谓《早梅》水墨绫本

腹肌.走的太快就像龙卷风!