空压机电支断相保护电路

相关图片

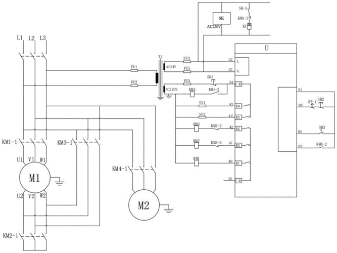
优耐特斯压缩机高压电气原理图

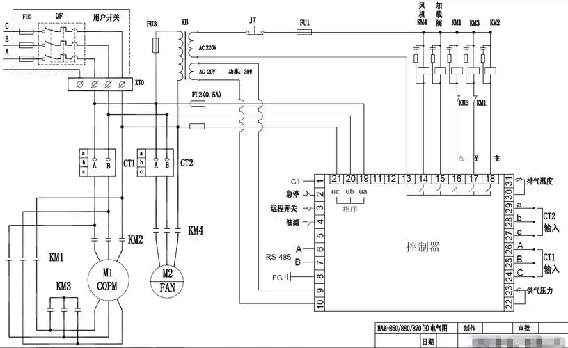
螺杆式空压机mam880控制器电气原理图

md380空压机双变频图纸

螺杆式空气压缩机二次线路图 - 电路图分享_电工学习网

cn202140294u_空调室外压缩机的控制电路及空调器失效

随机推荐

壁纸##手写# 手写语录|壁纸|朋友圈背景图|朋友圈文案等你学会偏

《仙剑奇侠传》赵灵儿撒娇的样子好可爱,李逍遥无法抵挡!

老人在手心上写她的名字给旁人看.有行人停步问价?

二婚嫁给一名穷小子,如今丈夫红到令人嫉妒_生活_李琳_经超

dsc03131_福禄寿喜 4尺4开 - 我的篆书新作品 - 相册 - 诚信书法

眼镜店盛大开业宣传单

一点没变呀,长野博

女生剪中长发碎发型图片做碎发发型能展现优势就成功一半