my family(儿童英语故事-我的家)

相关图片

家人的英文单词爸爸妈妈其他亲人英语单词怎么读又怎么写用中文

【定南五小新教育】meet my family –六年级英语说写绘

三年级下册第2单元my family.#三年级下册英语小报# - 抖音

免费文档 所有分类 初中教育 英语 中考复习七年级unit3-4答案ppt

广东版儿童英语二年级下册 lesson one-lesson twelve单词复习答案ppt

随机推荐

回顾唐嫣女儿出生都是罗晋照料丈夫弯腰提裙嫁给了爱情

撞色超萌卡通动物头像图片大全 q版超萌动物图片微信头像2023_动漫

张馨予露肩随拍##张馨予直角肩

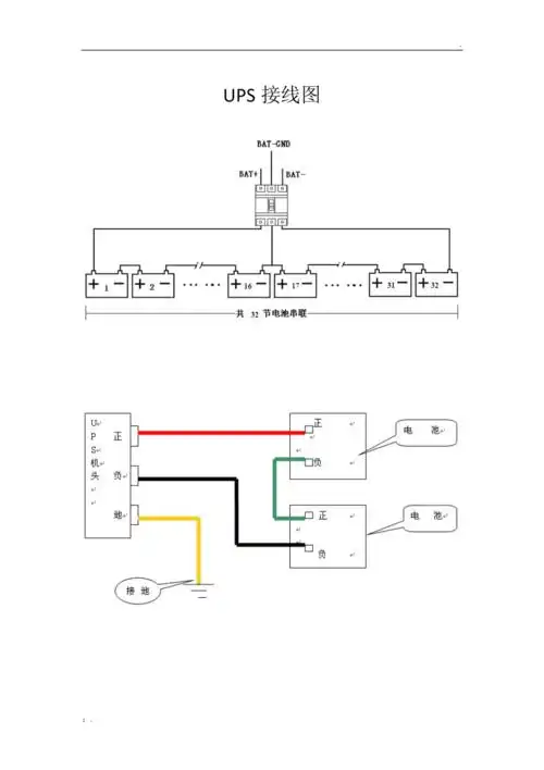
ups接线图与维修说明

其实我们都知道,家有儿女,武林外传,我家有个外星人,快乐星球这种剧情

二次元头像男高冷帅气

黑色长裙怎么穿才不沉闷?这些搭配技巧让你轻松变身时尚达人!

青子和快斗