时尚 正文 还有白百合,左图是原本的牙齿,门牙有点大,还有虎牙,下排

相关图片

口内治疗前后对比

虎牙矫正前后对比图

虎牙矫正前后对比

虎牙到底要不要矫正呢看完这篇让你对虎牙彻底改观

与各类虎牙的斗智斗勇

随机推荐

刚刚演唱会结束,王一博跳舞的表情看起来非常痛苦,但是又好像非常地爽

鞠婧祎节目晒童年照我却被她妈妈吸引高颜值基因果然很强大

#毛不易说自己被打开了##毛不易i人演技大爆发#

六一儿童节,到长白山开启童趣之旅_腾讯新闻

病娇头像糟糕我好想把你的世界踩在脚底

女明星都爱脏辫这是为什么

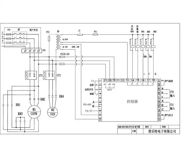
螺杆式空压机mam880控制器电气原理图

严浩翔晒自拍却将作业打码,评论区道出原因:给他留点颜面