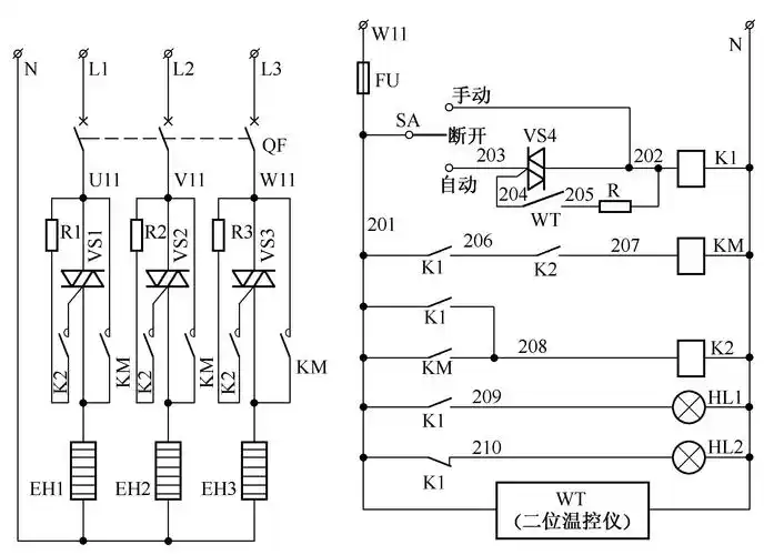
28例电气自动控制电路图,都是干货,快收藏吧!

相关图片

每日一图,电机控制电路图#零基础学电工 #维修电工 #电工电 - 抖音

28例电气自动控制电路图,都是干货,快收藏吧!

45张电工常用电动机控制电路图

百度爱采购首页 商品专题_机电控制控制电路图我想电力电气行业的朋友

电动机反接制动控制电路

随机推荐

男生"两边剃光,中间留长"的发型,这4款很帅气,不要剪错了

儿童街舞潮服夏季宽松短袖男童hiphop潮装女童炸街套装嘻哈演出服

草坪春季

催眠王俊凯王源

赵丽颖拍吻戏主动伸舌头上演法式湿吻网友不愧是当家花旦

创意卡通手绘可爱京剧喜剧戏曲花旦老生武生小生人物插画psd素材

女星的伴娘团刘亦菲绝对是最美伴娘哪一组颜值惊艳到你了

发量多的女生适合哪种短发造型?_发型_时尚_妹子