梯形螺纹的精密零件加工办法

相关图片

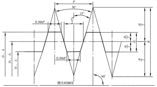
tr40*7梯形螺纹牙顶多宽

0501) 根据 din 103-7e 的公制 iso 梯形螺纹 up to tr24x.

梯形螺纹

课题七 车削梯形螺纹 《车工技术一体教程》教案.doc

4-1986 梯形螺纹 公差

随机推荐

2018emoji中全部表情符号图解 用来含蓄的表达微信使用者的心

fgo咒腕的哈桑改模(原模组)纪念 96级咒腕单挑七章胎毛神殿_哔哩哔哩

徐璐的全身照好美你怎么评价

微信可爱沙雕搞怪头像

我爱你你爱我蜜雪冰城甜蜜蜜

顾景舟早期朱泥壶 顾景舟魏紫熙合作--- 矮井栏壶 款识: 底款:景舟制

蓝天白云下的美丽大海

回顾天生一张演员脸这些男星又痞又帅不愧是行走的荷尔蒙