螺纹,沉孔标注

相关图片

cad中深16攻丝12怎么表示

螺孔标注

螺纹底孔深度计算公式 - 百度文库

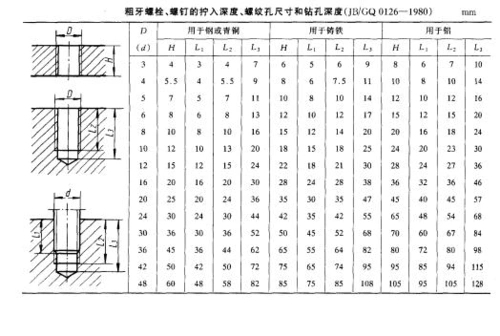
螺钉的拧入深度,螺纹孔尺寸和钻孔深度标准表

螺纹孔的标准画法

随机推荐

郭威北海舅舅首次露面和郭威长得一模一样网友基因真强大

杨紫 杨紫一袭蓝色刺绣礼服亮相金鹰节颁奖晚会,淡雅别致 温婉动人

爱飘飘轻清果粉果冻酵素粉正品官方养森蓓俪芙官网景甜代言旗舰店

林心如和霍建华一直以来都非常注重保护女儿的隐私,这次公开照片可能

天蝎座头像女天蝎座独一无二的头像

做家务的日记50字

祖国大好河山精美的手机图片

程潇跑男