李白与赵云李白与诸葛亮.

相关图片

all李白

遁地小朴关注打开新页热度(618)评论(16)推荐白狄狄仁杰李白王者荣耀

李白的酒葫芦的喜欢 | lofter(乐乎) - 让兴趣,更有趣

还有人表示李白很渣,我已经无力吐槽了,对此你怎么看?

曜李白王者荣耀all曜展开青年匀称的身材被武将的装束严实地包裹着

随机推荐

周杰伦手绘

杨洋除夕烟火照

tfboys卡通壁纸头像手绘可爱q版插画原创清新帅气

柳岩身材好就是敢穿,粉色吊带鱼尾裙凹凸有致,微胖也能美出圈

小可爱

小鬼王琳凯whatswrongwithmemv首发走心演绎治愈新歌

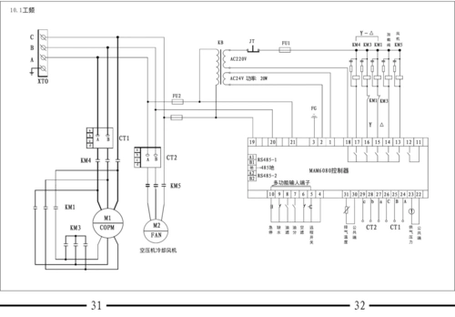
华达永磁变频螺杆式空压机操作说明书电气接线图

阿拉丁神灯点亮魔幻飞板8月新版本