11个电路原理图 实物接线图,电工入门怎么能看不懂,纯干货!

相关图片

电工实操考核中,最经典的7张电路图(高清收藏版)

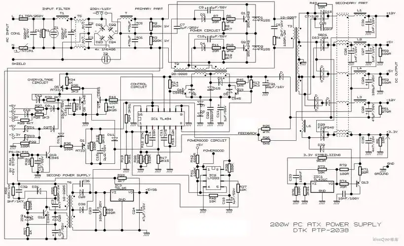
无忧文档 所有分类 工程科技 电子/电路 高清atx电脑开关电源图纸(tl

xlt604在交流输入中的典型应用电路

为精密模拟电路设计超低噪声正负电源

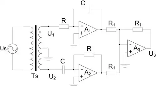
90度相位标准电路及获得90度相位标准的方法

随机推荐

原创孙艺珍出席晚宴真是美翻了驼色大衣加腰带尽显好身材气质爆表

张雪迎《泡沫之夏》本周暖心收官 温柔升级观众不舍告别

回顾任嘉伦即使一辈子不红我也不会抛弃陪伴我11年的妻子聂欢

一起来欣赏地平线4的美景

美的(midea)电热水器 midea/美的电热水器电家用60/80升速热卫生间即

玄幻女.jpg

动漫二次元插画哥特式萝莉暗黑少女主题图集原画插画线稿图片素材

创造营2020|刘些宁 cr.irdescent_刘些宁