部分oc世界观.草草弄了个星系放oc文明,在宇宙方面还有一些 - 抖音

相关图片

宇宙中会存在10亿年级别的高级文明吗他们到底有多恐怖

为什么科学家几乎不提及四级文明人类四级文明

宇宙境界等级划分大全(宇宙中的七个文明等级)_金纳莱网

科学家从来不提四级文明的原因何在?_能量_宇宙_人类

宇宙文明等级划分人类处于075级想达到一级文明还很漫长

随机推荐

▼杨幂是童星出道,网上不难找到她小时候的照片.

张信哲信仰

小男孩发型推荐14款,又帅又有型,妈妈们你家儿子值得拥有

这颗痣也跟了她很多年,直到后面影响到了她塑造角色才去掉,而且邓英的

又仙又灵气美到窒息06#李一桐狐妖王权篇跳舞路透#特别声明:以上

宫崎骏10部经典动画堪称少女穿搭教程!尤其这一部,每套都超精致

《久别的人》久别的人盼重逢,重逢就怕日匆匆 清风明月翻唱

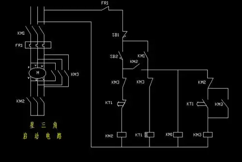
控制电源你可以换,不一定要用电路当中的三相电来做控制电源.