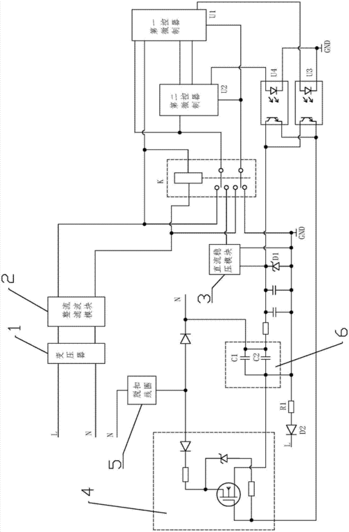
分励脱扣器切断电源的控制图

相关图片

一种零电压延时脱扣器-爱企查

断路器脱扣装置工作原理示意图(图2)

智能脱扣器二次接线图 求指导讨论

发电变电配电装置的制造技术

热= strong>电磁式 /strong>长延时过 strong>电流 /strong>脱扣器

随机推荐

古风头像 #仙气女生头像 #姐妹头像换起来啊 #我又来送图 - 抖音

蒋欣前男友叶祖新曝光新恋情?

朱正廷手机壁纸

【进击的巨人/艾伦·耶格尔】为了自由我将不惜一切 直到将敌人驱逐

2021年12月30日,江西九江,一列动车组行驶在安九高铁黄梅至庐山区段.

小莓

哈士奇纯种幼犬中型犬蓝眼活体雪橇犬二哈狗活幼体狗狗

杜敏赫