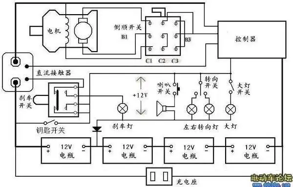
电动三轮车原理电路图及接线方法,整车线路完整版.

相关图片

电动三轮车电路图与接线图解

电动三轮车的电路图

电动三轮电路图详解?

电动三轮车接线图.doc 6页

电动三轮车全车接线图详解手工版优质

随机推荐

早年佟丽娅的素颜照,皮肤确实是很黑,但人很清纯啊

王刚(中国男演员,主持人)_尚可名片

以浪漫之名书写偏爱太帅了花2022首张ep芳心收集者上线

还詈笏惭岱沉苏庋纳,选择与大自己20岁的老公结婚,后面就全

气质女神王子文果然不一样,连大妈上衣 小黑裤,都穿出了高级感

仁和 复方醋酸地塞米松乳膏 20g/支 神经性皮炎湿疹瘙痒

郑伊健甘心替代你吉他谱c调高清六线谱分解弹唱谱

美图壁纸第65期|疯狂动物城