任嘉伦和老婆聂欢

相关图片

曾多次上春晚,邓超,任嘉伦躺枪_朱亚文_网友_时候

任嘉伦的妻子聂欢丈夫成名背后有艰辛,我在家做全职太太也幸福_因为

任嘉伦的妻子聂欢丈夫成名背后有艰辛,我在家做全职太太也幸福_因为

曝任嘉伦在妻子孕期出轨,小三照片及身份被扒出,颜值不输明星|卓伟|成

广州:任嘉伦出席品牌活动,身材瘦到没了颜值,"做明星不容易_影响_聂欢

随机推荐

李易峰晒赵丽颖床照,cp感十足,网友直呼在一起

蛋糕简笔画

小清新花卉海报背景

阴晴不定大哥哥#"夏天主题" 腹肌照 合集久世岳:不知道怎么说,但这次

演员春夏发布时尚造型写真黄裙内搭白t清新减龄好亮眼

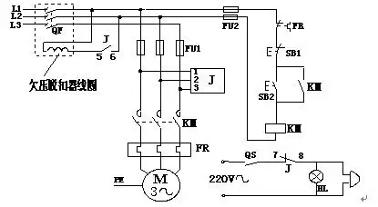
三相异步电动机缺相保护报警电路

孙菲菲 饰 刘兰芝

张翰张钧甯被曝已结婚十月官宣男方工作人员否认