有些女生为何皮肤那么好?做对这六件事情,轻松打造光滑肌肤

相关图片

想要比普通人看起来更加年轻,就要想办法使皮肤的状态变得更好

"长期化妆"和"长期素颜"的女生,哪个皮肤更好?答案在这里

女生想要养出"干净脸",建议睡前坚持4件事,恢复肌肤白皙水嫩_皮肤

皮肤好的女生,晚上都会做这几件小事,坚持一个月

好皮肤美容女人-加拿大adamo de pax摄影师作品-sarah封面大图

随机推荐

tfboys 会记 - 抖音

黄晓明真的是很帅,油过但绝对没丑过,现在是真的越来越帅了,只不过遇

大鱼海棠海报合成

中草药特写高清摄影图片_大图网图片素材

那些你很冒险的梦钢琴简谱-数字双手-林俊杰1

人气超威三轮车电池60v72v6evf32ah58ah安全全新电瓶电动车电池

模块可换:mcintosh ma7200合并扩大机

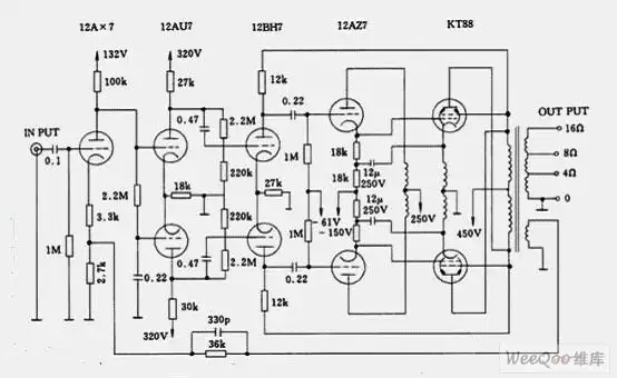
麦景图mc-275电子管功放电路图