电气控制中的自锁

相关图片

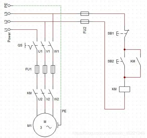
图1 电机自锁控制电路图

三相异步电机自锁正转控制电路图 - 电子方案资讯_我爱方案网

三相异步电动机自锁控制电路

画出三相交流接触器吸合时,自锁的控制原理电路图?

求这张三相异步电动机自锁正转控制线路电气原理图的实物图,不知道

随机推荐

2018年搭配顶流王俊凯,主演了《天坑猎鹰》,还收获了对方的荧幕初吻.

杨颖的短发太好看了吧

易烊千玺x张子枫ylang

微博壁纸集-动态gif图片,动态头像系列★ 【新浪微博:高清无水印

天然绿色降糖神仙草植物非试管高效快繁技术富贵菜

如今,在众多suv车型中,如果你想购买一辆10万以内省油的suv,那么有两

王一博,仰头的角度看鼻翼疤痕如此明显!

如何评价2020年7月18日新闻联播改版首次以全高清及宽屏形式播出