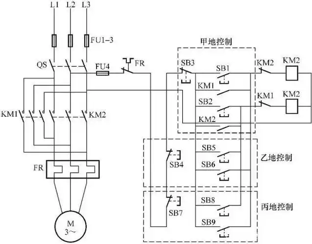
28例电气自动控制电路图都是干货快收藏吧

相关图片

每日一图,电机控制电路图#零基础学电工 #维修电工 #电工电 - 抖音

自动往返控制线路

45张电工常用电动机控制电路图

星三角降压启动的压缩机控制电路

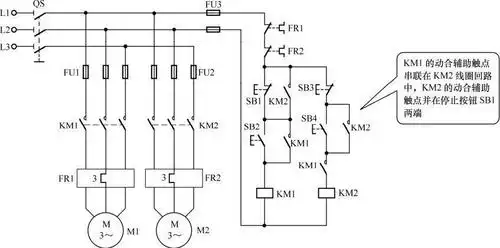
电动机反接制动控制电路

随机推荐

出镜40秒演技炸裂王迅新片演技折服观众被赞将是下一个吴孟达

【刘耀文】救大命了这下颌线这喉结!《躺着真舒服》直拍存档

国歌与国际歌--党代会开会前奏《国歌》,会议结束时奏《国际歌》.

tnt时代少年团.^ω^高清帅气图片 - 高清图片,堆糖,美图壁纸兴趣社区

女生头像|古风红衣头像

赵今麦最新营业照构图##赵今麦粉丝对妆造不满

荷叶饼夹菜,真是绝绝子,已列入我家菜谱了!

高中体育老师长得太帅女生上课犯花痴无奈只能去教初中