9岁摄影师拍胡歌吴磊

相关图片

这谁顶得住啊 不是父子胜是亲父子~07#胡歌 #吴磊 #胡 - 抖音

不虚此行官宣新阵容胡歌吴磊合体陪伴型设定拉满期待值

胡歌吴磊再同框_两人越长越像啦!

不虚此行剧组来搞笑的!胡歌吴磊拥抱齐溪表情成亮点,他咖位骤降

胡歌上台搞怪,李乃文沧桑,《草木人间》未播先火_网友_明星_吴磊

随机推荐

浅摸两张简单的锁屏壁纸,需要的自存#肖战

戚薇1026生日快乐#祝丸美眼霜代言人@戚薇生日快乐!

马丽原来这么美,以前真是看走眼了

冷笑话大全爆笑

与龙相关的成语

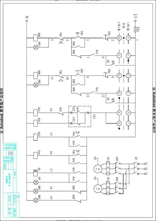
热水循环泵一用一备电路图

林超贤《红海行动》的最终票房,必超《捉妖记2》!_百科ta说

神奇的2021,健康是21划,幸福是21划,情爱是21划,贵富是21划,和睦是2