柳岩

相关图片

柳岩和剧中老公李葵的扮演者王策亲密合影

猎冰主演包文婧牵手男星包贝尔丈夫一次次将她感动哭

原创被陈凯歌骂当伴娘被婚闹如今41岁的柳岩终于给自己争了口气

柳岩开始恨嫁了?后悔没有好好找老公

34岁辣妈冉莹颖近照身材不输性感女神柳岩与老公生活甜蜜

随机推荐

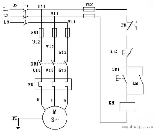
电机自锁接线图 - 电路图分享_电工学习网

全新包装金坤宁妇洁凝胶抑菌祛味洁阴护理3送1妇科5送2妇科凝胶

佟大为民国风全家福曝光!12岁大女儿已1米7,小女儿表情端庄

鹏程 小8k 小8开日历 挂历 手撕 日历 进红纸品_进红纸业_义乌购

准不准|富贵|命运|掌纹|三角形_网易订阅

国风少女头像壁纸

《绝密使命》聚焦中央红色交通线 主旋律年轻化表达的"三重门"

卡通头像女可爱q版(60张)_女生动漫头像_头像屋