供应t80blf140-3140系列直流无刷电机 调速电机

相关图片

bl-1212h 无刷直流电机驱动器

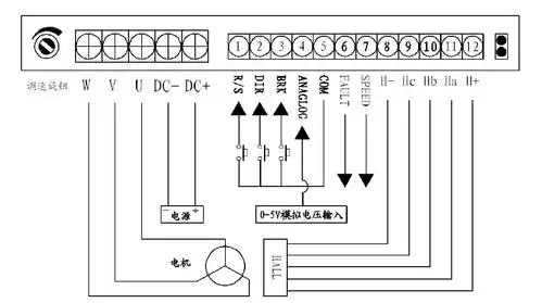
bld15lb直流无刷电机控制器接线图

高速旋转直流无刷电机100w在树脂件加工设备中的应用(lp)

无刷直流马达st110bl140-3120带风扇

bl-1208n无刷直流电机驱动器

随机推荐

火影宇智波斑霸气图片集

三屏壁纸

谭咏麟:哄妻子丁克15年,却和19岁情妇生子,多年后追悔莫及

原创亲爱的杨紫被港媒赞甜心教主邢菲吴倩也上榜竟还有她

女明星投票

韩版舒适加长长筒丝袜女款防滑天大腿袜女学生夏季黑丝袜 中筒黑色

壁纸 蓝紫色的绣球花

sing女团成员许诗茵个人单曲《月哉》上线