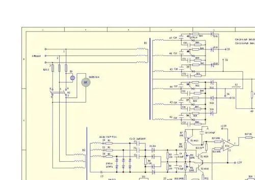
wsm--160逆变氩弧焊机电路原理图

相关图片

逆变电焊机原理及图纸

igbt逆变直流弧焊机检修纪实奥太逆变式二氧化碳气体保护焊机/二保焊

cn213318232u_一种前后级双重控制的高性能逆变焊机电路有效

蓄电池电焊机电路图

等离子焊机原理图 (第1页)

随机推荐

杨采钰巧秀小蛮腰,平平无奇西装外套,但衣服打结凹出时髦感!

王凯向风而行##王凯顾南亭#顾南亭高清壁纸原图@王凯kkw

王俊凯最新帅气壁纸清新偶像王俊凯

原来她是陈楚生妻子,终于藏不住了,难怪为她不惜得罪全世界

苹果原装充电器iphone13pro充电i11快充20wpd数据线正品手机充电器

祝阿尔敏11月3日生日快乐!#进击的巨人

陈道明女儿原来是陈格,不拼爹却事业红火,现在32岁_杜宪_成就_家庭

【youtube】(g)i-dle - oh my god mv_哔哩哔哩_bilibili