蔡徐坤偶像练习生

相关图片

蔡徐坤歌曲重生##正能量偶像蔡徐坤##蔡徐坤#安静的在我个人空颊揪

蔡徐坤歌曲重生##正能量偶像蔡徐坤##蔡徐坤#安静的在我个人空颊揪

《偶像练习生》帅气与美貌并存c位队长出道的蔡徐坤!

蔡徐坤在《偶像练习生》节目出道夜造型

cr:蔡徐坤奶奶站_granny 20180406偶像练习生c位出道

随机推荐

炸鸡腿

宇智波佐助头像 宇智波的都好帅

官方回应因未更新工商信息,王一博压力超大_热点资讯__速驰信息网

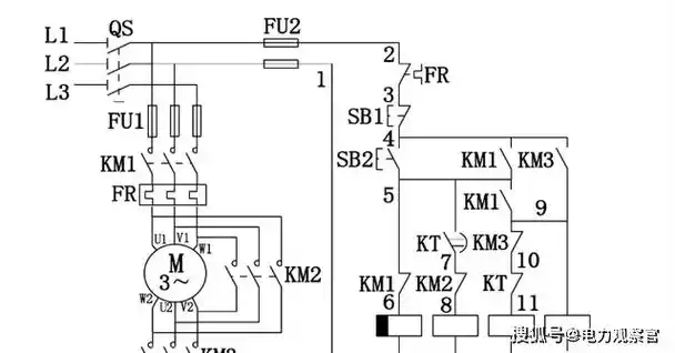
电工必备:22个经典电路图,老电工:都看懂就可以去考高级电工了_电机_

非洲三国行:埃塞俄比亚旅行篇(上)

当年,她们凭借一首《卡路里》火遍全网,很多人也因此记住了孟美岐这个

原来才发现这10部年代剧才是无法超越的经典3刷都不过瘾

瑞士莱茵河美景夏天虽炎热也不能阻挡旅行的脚步