nptptrg螺纹标准尺寸表管螺纹标准尺寸表锥度管螺纹对照表规格表

相关图片

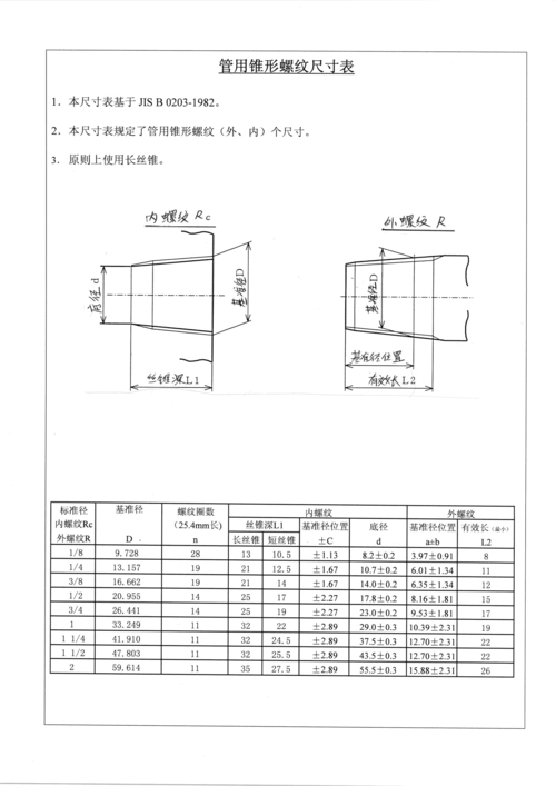
管用锥螺纹尺寸列表

60度 55度圆锥管螺纹有关尺寸参数表

成量高性能美制锥管机用丝锥管螺纹丝锥nptf1/8-2寸

p型管用英制锥形密封管螺纹丝锥(pt) 备注1: tpt锥管螺纹;sus-p-tpt

55度密封圆锥管螺纹的标准尺寸表

随机推荐

39岁范冰冰状态真好穿黑白格子外套配长裤精神抖擞又时髦

从人生若如初见浅谈大清朝新军军服军制三

电视剧年度盛典:肖战真空穿西装,毛晓彤鼻子怪异,黄晓明清爽了_腾讯

高壮肌肉男帅气有型随时随地练身材凹造型满屏的荷尔蒙

金志文-远走高飞 (live) (《梦想家》演唱会live)(蓝光)

金晨与胡夏父母见面,爱情加温,不婚宣言再被打脸.

弹痕六月雪真盆景室内悬崖式植物造型摆件中式茶室阳台绿植花卉盆栽

《弹丸论破》春川魔姬,有感情的杀手,可爱到爆炸,动漫头像