朱正廷 一个拥有完美笑容的人,n种笑容随意挑选

相关图片

麦麸判官这组图我笑的不行了.#朱正廷麦麸判官

朱正廷

朱正廷 一个拥有完美笑容的人,n种笑容随意挑选

你是因为什么这么喜欢朱正廷?

ninepercent快乐大本营预告朱正廷单人花絮图公开~今天是肤白貌美笑容

随机推荐

刘耀文绝美侧颜

身材_脸蛋_张艺兴

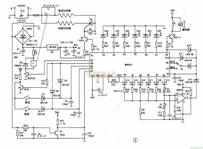
智能电饭煲工作原理图

总觉得我们的腹肌照有点少啊!来来来!马嘉祺走起!97

意境写真高清桌面壁纸高清大图预览1920x1200_美女壁纸下载_美桌网

吴莫愁要转型了吗,这小清新的气质一下没认出来,时尚带点少女感_风格

云朵老公首次同台?

宠爱