少女心原创卡通电脑桌面壁纸.一组原创高清卡通图片壁纸,希望大家喜欢

相关图片

ins风可爱少女心油画质感手绘,艺术壁纸-回车桌面

少女心粉紫色天空风景桌面壁纸,一组唯美意境天空风景图片,希望大家喜

可爱手绘少女图片桌面壁纸,清新可爱的少女手绘图片,简约唯美的风格设

粉色少女心高清卡通电脑桌面壁纸-卡通动漫-手机壁纸下载-美桌网

有那些非常惊艳的动漫高清电脑壁纸? - 知乎

随机推荐

赏花94听歌90 #20220222中国式浪漫 白梅花| - 抖音

黑色头发挑染几撮好看

绘画教程

台湾震旦艺术馆红山玉器!

创作灵感 #女生如何拍锁骨照 #高清壁纸 @抖音小助手 - 抖音

绿色叶子清新护眼精选高清电脑壁纸图片下载

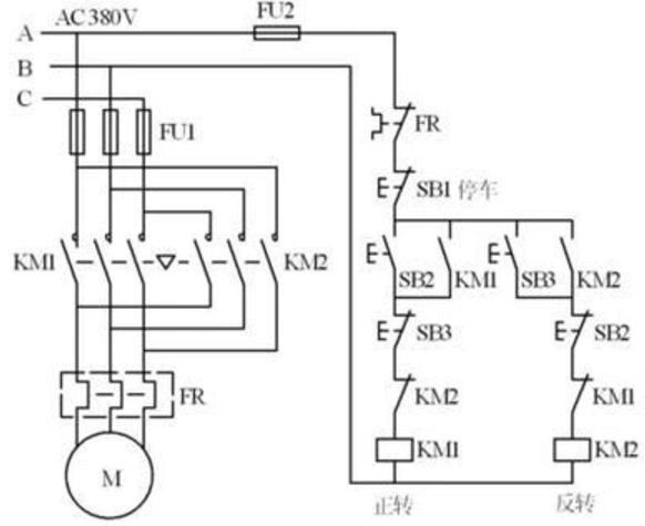
案例十 三相异步电动机正反转控制电路图详解

2020发型女流行短发