手机水泵遥控开关的使用方法

相关图片

卡西欧电源连接线

《消防泵性能要求和试验方法》gb6245的普通清水泵

7根线:三相电机 3个绕组 6个 接线端子,一根地线 三相电机 有2种接法

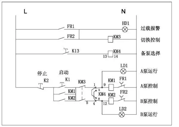
三相电水泵,接触器,继电器怎么接连在起能自动跳闸

3sdm控制盒接线图

随机推荐

五大林俊杰伟大的渺小2017专辑cd写真海报5明信片

丁程鑫最新随拍!解锁黑色皮衣造型,颜值优越又酷又帅__财经头条

古典舞的基本手位

2021年中国五台山国际旅游文化节隆重开幕

美女歌手 弦子 - 死鬼 - 死鬼

百叶窗配件厂家批发 现货百叶帘安装码直销 新款窗帘成品配饰定制

俄博梁最美的小众景点硫磺湖 - 赵峰旅行摄影 - 图虫

测算手机号码 (免费测手机号码好不好)-第2张图片-珑钦运势网