王一博歪嘴笑梦回蓝忘机##王一博gq盛典

相关图片

超级明媚的大帅哥王一博 括弧笑可爱又迷人

王一博摸喉结##谁懂王一博这个笑的含金量

one love #王一博 #宝藏男孩 #治愈系笑容 #遇见 - 抖音

王一博的侧脸,是摄影师竞相追逐的聚焦点,额头,眉骨,鼻梁,唇部线条

回应: 求王一博笑的图片

随机推荐

"小李晨"王嘉绿色套装,尽展优雅王子气质,怎么穿都帅

国画入门教程:白描人物线条练习

765期粉色系女生头像哦

热依扎明星壁纸2

漫画书小森林2

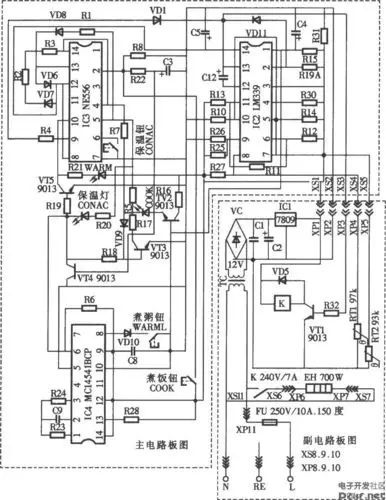
美的牌cfxb40-32型电饭煲电路

鼬佐

低调多年靳东妻子原来是我们熟悉的女演员难怪一直0绯闻