tfboys早期打闹照片,现在是看不到了#搞笑# #tfboy奔赴十年之约

相关图片

tfboys早期打闹照片曝光,三小只都好可爱,脸上的笑容纯真无邪!

tfboys#早期照片 - 抖音

tfboys出道的具体时间(tfboys幼年照曝光)(10)

tfboys应该是"养成系"最早期也是最成功的代表,从十岁到二十岁,三位

tfboys出道照片曝光 王源王俊凯老早就认识了

随机推荐

曾志伟的一句话,彻底揭开了"交际花"周冬雨的假面_张艺谋_关系_高考

龙年专属手机壁纸

刘诗诗太有气质了穿白色鱼尾裙尽显好身材天鹅颈真的太美了

好看又小众的男生动漫头像超拽男生霸气动漫微信图片大全

能让我起床的只有kfc连续5周优惠的牛肉粥豆花油条茶叶蛋葱油饼

落日夕阳唯美高清桌面壁纸

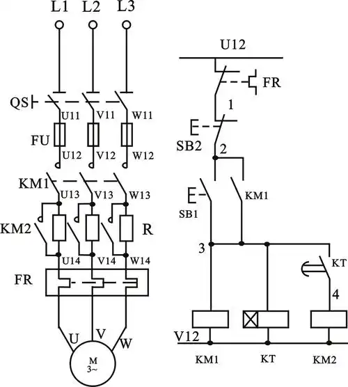
三相异步电动机定子串电阻降压启动自动控制线路实验说明

晶码战士亚奇和亚虎兽及其进化形态