收集电动车充电器电路图30张,以备不时之需

相关图片

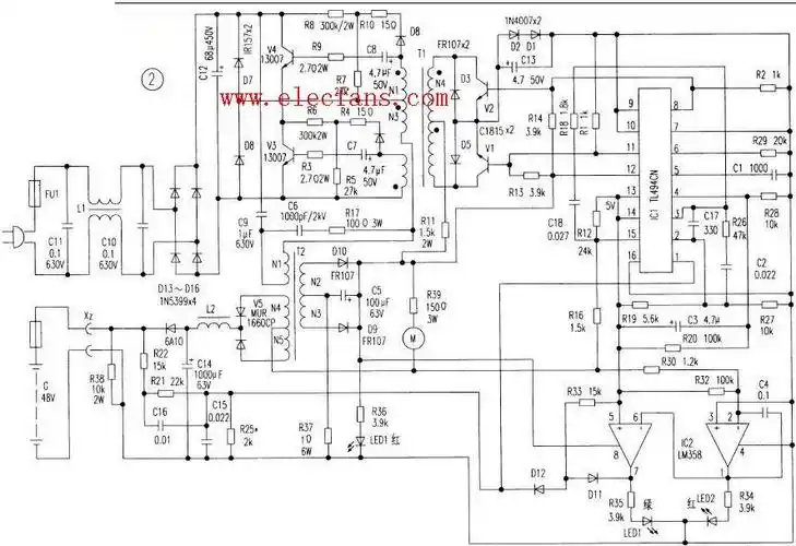
电动车充电器电路图

uc3842b电动车充电器电路图

电动车充电器电路图全集

动车充电器电路图大全

提供36伏输出.电动车充电器电路图二:电动车充电器电路图三

随机推荐

【曝光】支付宝购买的189元iphonex碎屏险藏猫腻 修出更多问题还丢了

3款男生"不烫不染"短发参考,帅气有型,剪完让你秒变潮男_发型_头发

猪爸爸猪妈妈情侣头像

铁梨木佛珠,纹理粗,看着效果不是很好,如何处理,求大神帮忙哈.

日漫动漫美女高清卡通图片桌面壁纸

杨颖壁纸,犹如一颗璀璨的明珠

曹可凡在发现王冠主持存在短板后,还为她制定了提升计划.

热卖csgo反恐悍匪男蒙面劫匪恐怖的分子头套cosplay凤凰战士面罩