免费获取16g1013独立基础条形基础筏形基础桩基础三维图集

相关图片

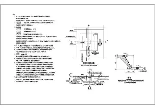
施工图筏板基础设计图纸

梁板式筏形基础

参照图集16g1013的64页在集水坑处剪力墙伸入筏板底还是集水坑底

免费获取16g1013独立基础条形基础筏形基础桩基础三维图集

筏板基础知识详细解析

随机推荐

这篇文章告诉我们的故事,是香港一代巨星梅艳芳和她的前男友赵文卓的

祝王源24岁生日快乐!健康顺遂!平安喜乐!

揭秘赵丽颖和吴亦凡,张碧晨的纠纷始末,真相让人意外!

肌肤暗沉怎么办?分享一些应对肌肤暗沉的方法,帮你改善肌肤

210211 2021央视春节联欢晚会节目单出炉 王一博,刘德华隔空合作表演

赵露思##赵露思白裙好仙

国产的霸道总裁爱情请好好学习傲慢与偏见

小躺椅折叠迷你午休小巧便携单人午睡办公室阳台家用简易休闲靠椅