陶虹穿柠檬黄裙秀完美曲线婀娜多姿

相关图片

陶虹水晶礼服优雅写真图片66

陶虹风韵犹存

陶虹 写真 - mtime时光网

陶虹不仅演技好,穿衣更美爆,印花裙配金色高跟,眼神全是戏

明星图集——陶虹

随机推荐

图童星蒋依依个人照小戏骨人小演艺高

逗比搞笑壁纸锁屏有趣收集

一家人和睦相处,平平安安,就是最好的幸福

【品味手册】吃火锅要吃特色!这些菜,你吃过吗?

云朵.评论区可以发照片啦,想看看大家手机里好看的云#云朵收藏 - 抖音

动漫女头闺蜜头像仙气古风

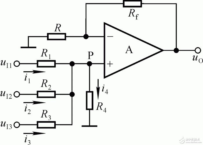
运算电路的基本定义和运算电路经典基本电路图

商朝-宫殿-湖北黄陂盘龙城