赵丽颖是真的爱穿套装,西服干练运动装休闲,皮衣套装最酷了!

相关图片

女神赵丽颖霸气冷酷高清图集

赵丽颖壁纸:超性感超时尚的前卫形象,颖宝大胆突破酷飒登场

30赵丽颖学穿00后穿搭下身失踪粉蓝编发超酷飒网友冯绍峰真幸福

nars品牌大使赵丽颖

7月6日,赵丽颖公开一组最新写真大片,照片里的她穿蕾丝裙变身暗黑小

随机推荐

天能三元锂电池48v12ah48v16ah48v20ah25ah28a国标两轮电动车电池电动

夏日小清新唯美意境图片桌面壁纸

65岁老阿姨还不放弃扮少女!看赵雅芝的真实素颜,也太夸张了

原厂福田奥铃欧马可货车配件奥铃捷运tx ctx喷水雨刷雨刮臂雨刮杆

angelababy出道前照片曝光,妩媚中透着英气,我相信她只是整了牙_牙齿

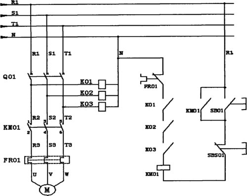
cn101888084a_电机缺相保护器失效

lisa和jisoo牵手奔跑这组图封神了!

日落,太阳,太阳与海