帕萨特b5汽车电路图

相关图片

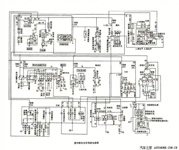
网站首页 海量文档 汽车/机械/制造 电气技术长安奥拓轿车全车电路图.

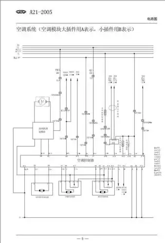
大众汽车电路图怎么看大众汽车电路图集

广州本田奥德赛汽车电路图

第1页 下一页 (共17页,当前第1页) 你可能喜欢 捷达电路图 汽车音响

新手篇—轻松看懂汽车电路图(中)

随机推荐

气质长发女生手绘卡通动漫微信头像

win10世界海洋日4k免费主题发布

柳岩40岁傲人身材包裹严实揭秘之谜

郑州婚纱摄影工作室哪家好古装婚纱照怎么拍好看有哪些技巧

ios 7,数码,艺术品,abstract,ios 7,digital art,artwork,壁纸,高清

不一样的爱心九宫格多种朋友圈拼图教程

杨幂的身材好似人间芭比,腰细腿长让人羡慕,侧身看更立体

柯南里的黑衣人