mclintosh 麦景图c22(c-22) 经典电子管胆前级线路

相关图片

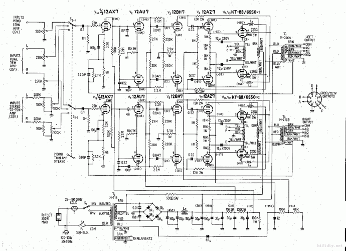
275电路图.gif

一代名机mc275

麦景图275胆机kt88串火求助

麦景图c22唱放前级放大器电路图

mcintosh 麦景图c11电子管前级维修电路图

随机推荐

钱枫个人资料简介(从文艺兵高富帅到大龄剩男,钱枫猎艳的故事远比你

54岁王祖贤素颜照真容,法令纹显眼鼻子僵硬,与年轻时判若两人?

春节玉田夜色

45岁冯德伦生日舒淇晒照生日会简单温馨冯德伦短发帅气依旧

手工折纸

花卉壁纸,闪烁着荧光,漂亮极了

这就是传说中的大眼瞪小眼

大风吹简约完美版c调