夏宝珠(宁丹琳饰演)

相关图片

顶替杨紫演夏雪,被暴打,陷整容风波,36岁依旧跑龙套|张一山|宁丹琳|家

还记得《家有儿女3》的"夏雪"吗?如今31岁的她变漂亮了!

夏雪宁丹琳清纯女孩温柔性感总相宜组图

还记得《家有儿女》宁丹琳吗?饰演完夏雪后,过得怎么样?

宁丹琳

随机推荐

张雨生写给女朋友的信更新了一些图片

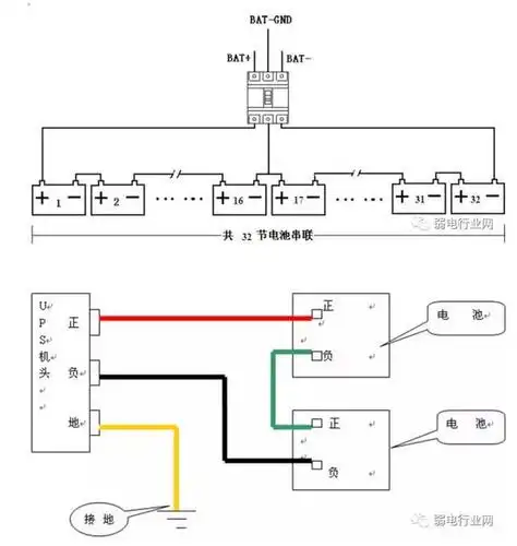
关于ups接线图与四种工作方式详解

《皓衣行》完整大婚路透曝光,网友:这是能播的吗?_罗云_陈飞宇_片段

进击的巨人初登场:艾伦初次变身进击的巨人

作品无人问津,演技被质疑:和渣男焉栩嘉恋爱后,张子枫被骂惨了|周迅

如何评价综艺创造营2021成团夜

小号蝉100米线板新款成人儿童风筝

david 纳兹,洛杉矶-8 月 2: 大卫 · 纳兹 2010年狐狸夏天抵达按旅游