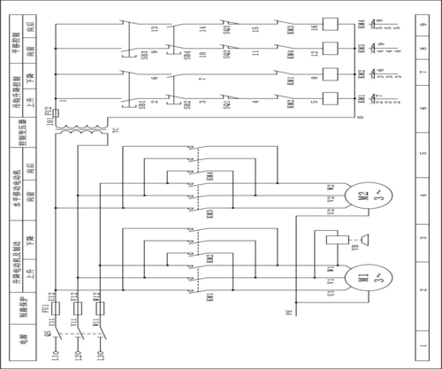
a普通离心机电路图

相关图片

是普通的启保停电路.非常简单.

北京市东城区普通中学2018届初三中考物理复习 电流 电路 专题练习 含

台灯电路

电路可安装在普通pcb板上,并封人小盒内.盒子顶部连接通/断开关s1.

在该电路图中外圈回路怎么解释基尔霍夫电压定律 在回路中绕行一圈时

随机推荐

霍建华

隐形富婆吴昕:身价上亿被潘玮柏分手,拒绝海涛成快本最大赢家_李易峰

女性年龄身高体重对照表

人物线稿黑白动漫素材手绘插画绘画古风

原创娱乐圈八卦肖战王玉雯林更新刘亦菲张颂文金星汉斯

白敬亭 - 堆糖,美图壁纸兴趣社区

中心学院设计简介:设计一款永不过时,价格适中的克莱斯勒或道奇汽车

集历代之大成清代陶瓷故宫博物馆馆藏文物