抖音美女海边迷人写真

相关图片

抖音最火戏子真人车模美女图片

打开抖音一下又刷到了安美女,她的身材真好,可谓是魔鬼身材,她自信

没刷到过这几位抖音美女网红的人你敢说自己玩过抖音

抖音美女|tiktok,每日更新,6.14

抖音美女红人推荐,十里夫人,网友看了她的视频表示身材太完美了

随机推荐

手势比心

黄渤凶王宝强你又矮又丑凭什么当影帝王宝强的回应够我笑一年

抓卡通

可盐可甜张慧雯_网易订阅

相遇不一定有结局但会有意义丨没调画质丨cr月街七巷#蔡徐坤# - 抖音

红底吉祥头像图片大全_微信头像图片大全

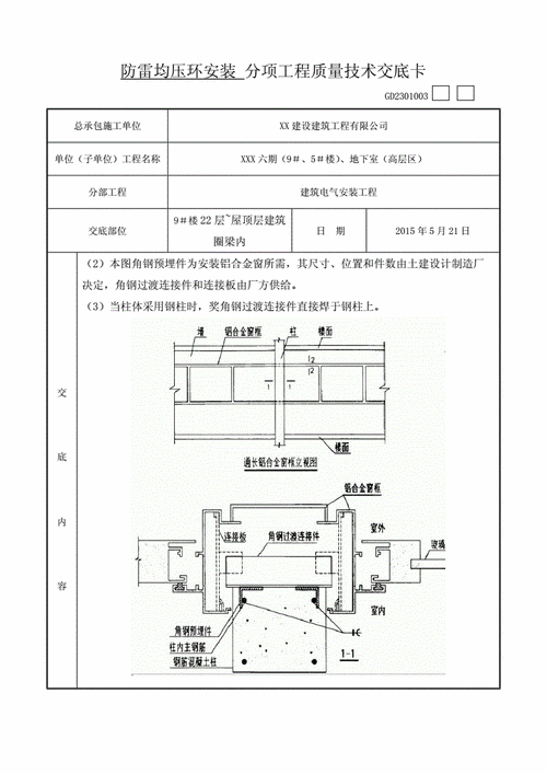
均压环安装技术交底.doc

接地角钢 远茂现货销售 非标铁附件接地极