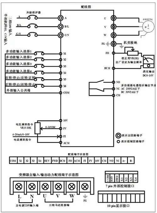
电机调速器工作原理以及接线图

相关图片

电磁调速电机控制器接线图_750

变频器调速电机三相380v调速器三相低速电动机无极变速铜芯马达 2.

2kw220v电机调速器220v无级调速220v 2.2kw变频器

yct132-4b电磁调速电机接线图

直流调速器怎么接线

随机推荐

不是易烊千玺这个表情好苏啊!直接狠狠吻上去🤤

油炸洋芋片

突围百度云全160集高清加长版完整资源1080p中英双语完整资源已分享

阚清子越穿越嫩白色针织衫配嫩黄色短裤说她18岁都过分了

你竟然是这样的郭富城明星光环怎么说碎就碎了

推荐玫瑰金色的福库电饭煲crpfhr1010fg

少女心可可爱爱软萌油画壁纸格子壁纸

丰收季的喜悦:金色麦田的奋斗与欢笑