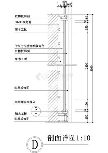
cad木饰面挂板节点大样图

相关图片

墙面,吊顶,地坪,门表,卫浴节点大样详图图集

天棚节点图,地面节点图,墙面节点图

木饰面吊顶天花节点图

木饰面挂板墙面节点图施工图下载【id:256596926】

木饰面节点图cad施工图设计

随机推荐

周杰伦一依然范特西-价格:40元-au35897802-磁带/卡带 -加价-7788收藏

周星驰头像图片合集110张 高清史上最全的星爷头像组图_明星头像_头像

组图 张博曝休闲运动风大片 朝气变身阳光少年

刘家凯(1982年02月05日-),是台湾知名乐团苏打绿电吉他手.

北京故宫图片

幽灵卡通图片大全_幽灵卡通png高清素材【免费下载】-90设计网

在日月光下的狼照片

玫瑰 贰佰 原版吉他谱c调六线吉他谱-虫虫吉他谱免费下载