控制电路实现顺序控制的电路图 - 2020年最新商品信息聚合专区 - 百度

相关图片

所谓互锁电路是指控制电路中两个或两个以上控制回路之间的相互制约.

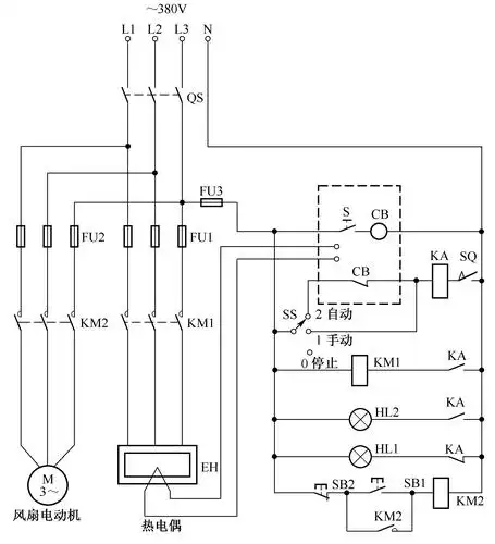
28例电气自动控制电路图都是干货快收藏吧

电气控制电路图设计绘图电工线路画图制图工具软件继电器模拟仿真

28例电气自动控制电路图,都是干货,快收藏吧!

电动机反接制动控制电路

随机推荐

最新耳朵简笔画 耳朵的简笔画彩色

万一共有三个笔画,但是笔顺却很容易搞错,那么万字笔顺怎么写呢?

1978年韩国汉城老照片合集

造梦嘉音乐携手袁娅维发布手游文明与征服主题曲fromhere

复古民国婚纱照旧时光的魅力

pick you~#._张紫宁

佛手png矢量双手合十图片zip

黑色背景-花瓣网|陪你做生活的设计师 | de in cinema 4d