700_1206竖版 竖屏gif 动态图 动图

相关图片

win7动态清秀山水画,高清图片,系统壁纸,win7-回车桌面

结合动态的水墨画再配上写意的诗句仿佛置身于千年前的山水之中关于

精美的动态水墨山水画

动态山水画图片

动态山水画壁纸青山看不厌流水趣何长

随机推荐

2岁出道年入百万,因长相漂亮被禁止整容的刘楚恬,如今长成啥样

"绿色田野五谷丰登"咸宁首届农民丰收节柃蜜小镇主会场(摄影:李烈忠

莱昂纳多 #小李子 #185大帅哥 #最帅男神 #高清 - 抖音

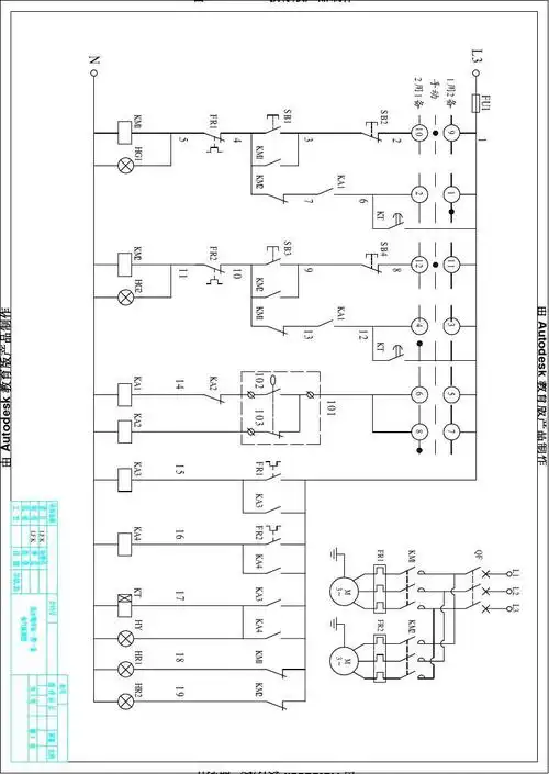
热水循环泵一用一备电路图

熊猫实验室趣味科普丨他是地球上力气最大的人没有之一

渣男锡纸烫发型推荐

你对魔兽世界中,吉安娜的黑化有什么看法?

以腾讯视频《创造101》为起点,从"创"系列走出的火箭少女101和r1