2023黄景瑜六月行程全记录: 6.1吉林剧组搬砖 6.

相关图片

黄景瑜大鱼京鱼工作室简易注销 系为其个人独资企业

法老瑜,名场面#黄景瑜 #西装杀 - 抖音

黄景瑜他从火光中走来 #一眼沦陷 不就是考古嘛,16年就上 - 抖音

2023年,黄景瑜

一切顺利啊哥! #黄景瑜

随机推荐

叶童 梁家辉 电影(我爱你)6/21日全国上映

迪丽热巴花儿与少年

周杰伦 超地表最强演唱会《晴天 稻香 青花瓷》

福彩3d精华布衣2

杨超越祥云##七时吉祥##谁谈个恋爱天天亲啊

言辞:简约森系壁纸/小清新_唯美图片_我要个性网

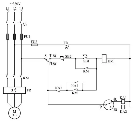
28例电气自动控制电路图都是干货快收藏吧

男生发型中分碎盖,颜值在线的发型丨中分 碎刘海 - 冷求网